Jiangsu Gongtang Chemical Equipments Co., Ltd. Jiangsu Gongtang
  • 
  • Home
  • About Us +
    • Company Profile
    • Company Tour
    • Certificates
    • Exhibition
  • Products +
  • Service & Support
  • Industries
  • Cases
  • Contact
  • Videos
  • Home
  • Products
  • Glass Lined Storage Tank
  • Vertical Glass Lined Storage Tank, Close Type
Vertical Glass Lined Storage Tank, Close Type
  • Vertical Glass Lined Storage Tank, Close Type
  • Vertical Glass Lined Storage Tank, Close Type
    Glass lined tank with high support legs
  • Vertical Glass Lined Storage Tank, Close Type
    Large 120000 L glass lined storage tank with guardrails

Vertical Glass Lined Storage Tank, Close Type

Corrosion-resistant storage vessels with the cover permanently welded to the vessel body

Close-type vertical glass lined storage tanks are available in nominal volumes from 50L to 200,000L. Non-standard designs can also be produced to meet specific project requirements.

Request a Quote

The overall performance of these storage vessels depends on both external and internal quality. External quality can be evaluated through visual inspection and instrument testing, while internal quality is determined by the accuracy of forming, welding, and surface treatment, as well as by how strictly each production stage is controlled.

Any defects, whether visible or microscopic, can appear during transportation, storage, or operation, which may lead to equipment failure. The reliability of the tank depends on keeping every step of production under control, whether it’s forming, welding, or surface treatment.

These tanks use high-quality enamel coatings that make them durable, bringing together the strength of steel and the protective qualities of glass. Careful control at every stage of production helps keep the quality consistent and extends their service life.

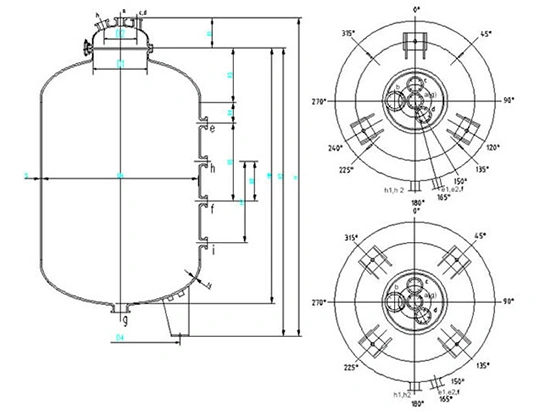
Dimensional Drawing
Dimensional Drawing
Dimensions of Close Type Glass Lined Storage Tanks
Nominal volume
VN/L
DN D1 D2 D3 D4 H H1 H2 H3 H4 H5 H6 H7 H8 S
3000 1600 600 420 30 1200 2740 300 2422 550 115 1000 / / 2220 16
5000 1600 600 420 30 1200 3720 305 3400 520 130 1200 460 1200 3160 16
6300 1750 600 420 30 1225 3924 310 3604 580 130 1200 424 1200 3304 18
8000 2000 700 490 36 1500 3880 340 3520 630 150 1100 500 1100 3280 20
10000 2200 700 490 36 1520 4053 340 3703 692 150 1200 600 1200 3392 20
20000 2600 700 490 36 1820 5540 340 5200 665 150 1800 600 1800 4605 24
30000 2800 700 490 36 1960 6090 340 5750 710 150 1800 600 1800 5510 26
40000 3200 800 480 36 2400 6870 386 6474 965 150 2200 500 2200 6125 28
50000 3400 800 480 36 2720 7500 386 7124 975 150 2600 570 2600 6630 32
Nozzle Specifications (mm)
Nominal volume
VN/L
a b c d e1-2 h1-2 g
3000 125 65 65 65 65 65 125
5000 125 65 65 65 65 65 125
6300 125 65 65 65 65 65 125
8000 125 80 65 65 80 80 125
10000 125 80 65 65 80 80 125
20000 300×400 100 100 125 100 100 125
30000 300×400 100 100 125 125 125 125
40000 125 150 100 100 125 125 200
50000 125 150 100 100 125 125 200

We also provide Accessories for Glass-Lined Equipment

Need Technical Support for Glass-Lined Equipment?

Our engineers provide expert guidance on corrosion-resistant glass-lined reactors, tanks, and customized process equipment for chemical, pharmaceutical, and industrial applications.

  • Related Products
  • Other Products
Vertical Glass Lined Storage Tank, Open Type
Vertical Glass Lined Storage Tank, Open Type
Vertical Glass Lined Storage Tank, Close Type
Vertical Glass Lined Storage Tank, Close Type
Horizontal Glass Lined Storage Tank
Horizontal Glass Lined Storage Tank
Glass Lined Column
Glass Lined Column
Glass Lined Heat Exchanger
Glass Lined Heat Exchanger
Glass Lined Double Cone Dryer
Glass Lined Double Cone Dryer
See More

What types of media can glass lined storage tanks handle, and which are not suitable?

These tanks can resist corrosion from inorganic acids, organic acids, organic solvents, and weak alkalis at different concentrations. However, they are not suitable for storing strong alkalis, hydrofluoric acid, fluoride-containing media, or phosphoric acid with concentrations above 30% at temperatures higher than 180 °C.

What types of glass lined storage tanks are available, and is customization supported?

Available options include horizontal tanks, open-type vertical tanks, and closed-type vertical tanks in a variety of sizes. Non-standard equipment can also be designed and manufactured to meet specific project requirements.

What materials are used in open-type vertical glass lined tanks?

These storage tanks are made of steel with an internal glass lining. The steel gives strength and rigidity, while the glass provides corrosion resistance. The lining also creates a smooth surface that is chemically stable, moderately heat resistant, and easy to clean.

How is the external and internal quality of vertical glass lined tanks assessed?

External quality is evaluated through visual inspection and testing instruments to check for surface defects. The internal quality depends on some production factors, including proper forming, welding, and surface treatment, as well as strict quality control at every stage of manufacturing.

What options are available for horizontal glass lined storage tanks?

There are several options to choose from. Some tanks have a large side opening with a half-pipe coil jacket and can be fitted with platforms, railings, and ladders for easier access. Others come with heating evaporators, making them suitable for applications where temperature control is required.

Jiangsu Gongtang Chemical Equipments Co., Ltd. Jiangsu Gongtang
Glass-Lined Equipment Manufacturer
Quick Links
  • About Us
  • Company Tour
  • Certificates
  • Exhibition
  • Service & Support
  • Project Cases
  • Videos
Products
  • Glass Lined Reactor
  • Glass Lined Storage Tank
  • Glass Lined Column
  • Glass Lined Heat Exchanger
  • Glass Lined Double Cone Dryer
  • Accessories
  • Integrated Process Systems
Contact Us
chrisz.jsjjgt@outlook.com
+86-523-89110022
+86-15861003636