Jiangsu Gongtang Chemical Equipments Co., Ltd. Jiangsu Gongtang
  • 
  • Home
  • About Us +
    • Company Profile
    • Company Tour
    • Certificates
    • Exhibition
  • Products +
  • Service & Support
  • Industries
  • Cases
  • Contact
  • Videos
  • Home
  • Products
  • Glass Lined Storage Tank
  • Vertical Glass Lined Storage Tank, Open Type
Vertical Glass Lined Storage Tank, Open Type
  • Vertical Glass Lined Storage Tank, Open Type
    Non-standard glass lined flat cover storage tank
  • Vertical Glass Lined Storage Tank, Open Type
    Open-type glass lined storage tank with liquid level indicator
  • Vertical Glass Lined Storage Tank, Open Type
    Glass lined storage tank with support base and quick couplings
  • Vertical Glass Lined Storage Tank, Open Type
    Small pilot-scale open-type glass lined storage tank with support legs and water-resistant rim

Vertical Glass Lined Storage Tank, Open Type

Corrosion-resistant storage vessels with removable top cover

Open-type vertical glass lined storage tanks are equipped with welding neck flanges that match the tank diameter. They are designed for nominal pressures of up to 0.6 MPa, with capacities ranging from 50L to 200,000L, and can operate within a medium temperature range of 0 to 150 °C.

Request a Quote

These corrosion-resistant storage vessels combine the strength of steel with the protection of a glass lining. The smooth interior surface preserves the quality of stored materials, prevents contamination from metal ions, and ensures chemical and thermal stability. In addition, the tanks are easy to clean and maintain.

Commonly used in petroleum, chemical, pesticide, plastics, food, dye, synthetic fiber, and synthetic rubber industries, they provide reliable performance and long service life for a wide range of applications.

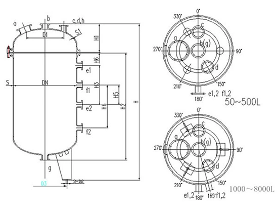
Dimensional Drawing
Dimensional Drawing
Dimensions of Open Type Glass Lined Storage Tanks
Nominal Volume
L
DN D1 D2 D3 H H1 H2 H3 H4 S H5 H6
50 500 350 20 370 835 270 465 / 160 8 / /
100 500 350 20 370 1020 265 655 / 160 8 / /
200 600 360 20 420 1615 300 965 450 150 8 / /
300 700 420 25 490 1567 345 1070 500 205 10 / /
500 800 480 25 560 1950 385 1370 800 160 10 / /
1000 1000 600 25 700 2450 430 1770 1000 200 12 / /
1500 1300 780 30 950 2410 505 1625 800 170 14 / /
2000 1300 780 25 950 2654 505 1970 1200 200 14 / /
3000 1600 960 30 1200 2565 585 1815 1000 190 16 / /
4000 1600 960 30 1200 3065 585 2315 1500 190 16 / /
5000 1600 960 30 1200 3756 585 2784 1200 189 16 450 120
6300 1750 1200 30 1250 3625 625 2800 1200 190 18 450 120
8000 2000 1400 36 1500 3935 700 3020 1200 200 20 450 120
Nozzle Specifications (mm)
Nominal Volume
L
S S1 S2 a b c d e1.2 f1.2 g h
50 8 8 10 80 65 65 65 / / 65 /
100 8 8 10 80 65 65 65 65 / 65 /
200 8 8 10 125 65 65 65 65 / 65 /
300 10 10 10 125 80 65 65 65 / 80 /
500 10 10 10 150 80 80 65 65 / 80 /
1000 12 12 12 150 80 80 80 65 / 80 /
1500 14 14 12 200 100 80 80 65 / 100 80
2000 14 14 12 300×400 100 80 80 65 / 100 80
3000 16 16 12 300×400 100 80 80 65 / 100 80
4000 16 16 12 300×400 100 80 80 65 / 100 80
5000 16 16 12 300×400 125 100 100 65 65 125 100
6300 18 18 20 300×400 125 100 100 65 65 125 100
8000 20 20 20 300×400 125 100 100 65 65 125 125

We also provide Accessories for Glass-Lined Equipment

Need Technical Support for Glass-Lined Equipment?

Our engineers provide expert guidance on corrosion-resistant glass-lined reactors, tanks, and customized process equipment for chemical, pharmaceutical, and industrial applications.

  • Related Products
  • Other Products
Vertical Glass Lined Storage Tank, Open Type
Vertical Glass Lined Storage Tank, Open Type
Vertical Glass Lined Storage Tank, Close Type
Vertical Glass Lined Storage Tank, Close Type
Horizontal Glass Lined Storage Tank
Horizontal Glass Lined Storage Tank
Glass Lined Column
Glass Lined Column
Glass Lined Heat Exchanger
Glass Lined Heat Exchanger
Glass Lined Double Cone Dryer
Glass Lined Double Cone Dryer
See More

What types of media can glass lined storage tanks handle, and which are not suitable?

These tanks can resist corrosion from inorganic acids, organic acids, organic solvents, and weak alkalis at different concentrations. However, they are not suitable for storing strong alkalis, hydrofluoric acid, fluoride-containing media, or phosphoric acid with concentrations above 30% at temperatures higher than 180 °C.

What types of glass lined storage tanks are available, and is customization supported?

Available options include horizontal tanks, open-type vertical tanks, and closed-type vertical tanks in a variety of sizes. Non-standard equipment can also be designed and manufactured to meet specific project requirements.

What materials are used in open-type vertical glass lined tanks?

These storage tanks are made of steel with an internal glass lining. The steel gives strength and rigidity, while the glass provides corrosion resistance. The lining also creates a smooth surface that is chemically stable, moderately heat resistant, and easy to clean.

How is the external and internal quality of vertical glass lined tanks assessed?

External quality is evaluated through visual inspection and testing instruments to check for surface defects. The internal quality depends on some production factors, including proper forming, welding, and surface treatment, as well as strict quality control at every stage of manufacturing.

What options are available for horizontal glass lined storage tanks?

There are several options to choose from. Some tanks have a large side opening with a half-pipe coil jacket and can be fitted with platforms, railings, and ladders for easier access. Others come with heating evaporators, making them suitable for applications where temperature control is required.

Jiangsu Gongtang Chemical Equipments Co., Ltd. Jiangsu Gongtang
Glass-Lined Equipment Manufacturer
Quick Links
  • About Us
  • Company Tour
  • Certificates
  • Exhibition
  • Service & Support
  • Project Cases
  • Videos
Products
  • Glass Lined Reactor
  • Glass Lined Storage Tank
  • Glass Lined Column
  • Glass Lined Heat Exchanger
  • Glass Lined Double Cone Dryer
  • Accessories
  • Integrated Process Systems
Contact Us
chrisz.jsjjgt@outlook.com
+86-523-89110022
+86-15861003636