Jiangsu Gongtang Chemical Equipments Co., Ltd. Jiangsu Gongtang
  • 
  • Home
  • About Us +
    • Company Profile
    • Company Tour
    • Certificates
    • Exhibition
  • Products +
  • Service & Support
  • Industries
  • Cases
  • Contact
  • Videos
  • Home
  • Products
  • Glass Lined Reactor
  • Glass Lined Reactors, Close Type
Glass Lined Reactors, Close Type
Glass lined reactor with four-column rack

Glass Lined Reactors, Close Type

Corrosion-resistant reaction vessels with the cover permanently welded to the vessel body

Close-type glass lined reactors are commonly used in the chemical, petrochemical, pharmaceutical, dye, food, and pesticide industries, as these sectors require reliable corrosion resistance and durability. These reactors can withstand demanding processes by providing high corrosion resistance, consistent stability, and reliable operation.

  • Capacity range: 50 – 80,000 L
  • Maximum pressure: up to 16 bar (atmospheric to high pressure)
  • Operating temperature range: –19 °C to 200 °C
  • Standards: CE/JIS/ASME/GB
Request a Quote
Glass Lined Reactors, Close Type
Large 30000L glass lined closed reactor with four-column rack and quick-opening manhole
Glass Lined Reactors, Close Type
3000L glass lined closed reactor with quick-opening cover
Glass Lined Reactors, Close Type
20000L glass lined reactor for export to thailand
Glass Lined Reactors, Close Type
Non-standard glass lined reactor with dual manholes
Glass Lined Reactors, Close Type
Glass lined reactor with four-column rack and horizontal gear motor
Glass Lined Reactors, Close Type
Glass lined reactor with four-column rack, quick-opening manhole, and reinforced flanges
Glass Lined Reactors, Close Type
12500L glass lined reactor with horizontal speed reducer and four-column rack
Glass Lined Reactors, Close Type
10000L glass lined reactor with vertical speed reducer

This type of glass lined reactors come with a jacket for heating or cooling and is fitted with an agitator, allowing efficient mixing and stable control of different processes. A welding neck flange is set on the head to provide a secure connection, while high-quality imported enamel ensures durability and long service life.

The internal design pressure can reach up to 1.0 MPa, with capacity options ranging from 3000 L to 50000 L. The jacket is designed for a maximum pressure of 0.6 MPa, and both the tank and jacket can safely operate within a temperature range of –20 °C to 200 °C.

Technical Parameters
Design pressure Internal vessel Packing seal 0.2MPa
Mechanical seal 0.4MPa/1.0MPa
Jacket 0.6MPa
Design temperature Internal vessel -20℃~+200℃
Jacket -20℃~+200℃
Agitator speed Anchor type/frame type 63r/min
Paddle type 110r/min~130r/min
Impeller type 110r/min~130r/min
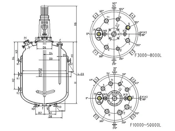
Dimensional Drawing
Dimensional Drawing
Dimensions of Close-type Glass Lined Reactors (mm)
Volume
(L)
3000 5000 6300 8000 10000 12500 16000 20000 25000 30000 50000
Item
DN 1600 1600 1750 1750 2000 2200 2400 2400 2400 2600 2800 3200 3400
D0 1120 1220 1220 1220 1400 1540 1680 900 900 975 1050 1200 1500
D1 1750 1750 1900 1900 2200 2400 2600 2550 2550 2750 2950 3350 3600
D2 2029 2029 2200 2200 2502 3744 2940 2812 2812 3060 3335 3866 4378
D3 30 30 30 30 36 36 36 36 36 36 36 36 36
D4 φ95 φ95 φ95 φ95 φ110 φ110 φ110 φ110 φ125 φ140 φ160 φ160 φ180
D5 65×6 65×6 80×6 80×6 95×8 95×8 95×8 95×8 98×8 95×8 110×l2 110×12 125×12
D6 600 600 600 600 800 800 800 800 800 900 1100 1300 2000
D7 450 450 450 450 510 510 510 560 560 650 650 810 940
D8 1300 1300 1400 1400 1505 1645 1785 1785 1785 1925 2065 2345 |
H 2250 3275 2888 3244 3310 3513 3160 3495 3830 4640 5060 4900 6765
H1 1060 1160 1200 1200 1200 1300 1500 1300 1300 1400 1500 1750 2200
H2 / / 800 900 900 950 640 375 600 650 750 600 1700
H3 700 780 750 750 800 1300 1010 900 900 1000 1050 1150 1250
H4 1550 1710 1500 1700 1700 1850 1610 2000 2350 2500 2650 2650 2950
H5 200 200 200 200 355 340 315 315 315 330 250 240 /
H6 1454 1535 1535 1682 1702 1822 1822 1822 1822 2594 2594 2734 3260
B1 540 540 540 540 540 540 540 550 550 550 550 550 550
B2 370 370 370 370 370 370 370 470 470 470 470 470 470
Power (kW) 5.5 7.5 7.5 11 11 18.5 18.5 18.5 22 22 22 30 45
Nozzle Specifications (mm)
Volume
(L)
3000 5000 6300 8000 10000 12500 16000 20000 25000 30000 50000
Item
DN 1600 1600 1750 1750 2000 2200 2400 2400 2400 2600 2800 3200 3400
a 150 150 150 150 200 200 200 200 200 250 250 250 250
b 100 100 125 125 150 150 150 150 150 200 200 / /
c 125 125 150 150 150 150 150 150 150 150 150 150 150
d 100 100 125 125 150 150 125 250 250 250 250 250 250
e 125 125 150 150 150 125 125 150 150 150 150 150 150
f 125 125 125 125 125 150 150 150 150 150 150 150 200
h / / / / / 150 150 150 150 200 200 200 /
M 300× 400 300× 400 300× 400 300× 400 300× 400 300× 400 300× 400 300× 400 300× 400 300× 400 300× 400 300× 400 300× 400
S 125 125 125 125 125 125 125 150 150 150 150 150 150
T1 100 100 125 125 200 200 200 200 200 200 200 200 250
T2 / / / / 150 150 150 150 150 200 200 200 200
N1-3 65 65 65 65 65 65 65 80 100 100 100 100 100
K1-3 65 65 65 65 65 65 65 65 65 65 65 80 80

We also provide Accessories for Glass-Lined Equipment

Need Technical Support for Glass-Lined Equipment?

Our engineers provide expert guidance on corrosion-resistant glass-lined reactors, tanks, and customized process equipment for chemical, pharmaceutical, and industrial applications.

  • Related Products
  • Other Products
Glass Lined Reactors, Open Type
Glass Lined Reactors, Open Type
Glass Lined Reactors, Close Type
Glass Lined Reactors, Close Type
Glass Lined Reactor, Half Pipe Coil Jacketed
Glass Lined Reactor, Half Pipe Coil Jacketed
Glass Lined Storage Tank
Glass Lined Storage Tank
Glass Lined Column
Glass Lined Column
Glass Lined Heat Exchanger
Glass Lined Heat Exchanger
See More

What are the main components of open-type glass lined reactors, and what are their functions?

Open-type glass lined reactors consist of a few important parts: the vessel body, a removable cover, sealing gaskets, and clamps. Sealing gaskets are necessary to form a seal between the cover and the body, while the clamps hold them firmly together, so the reactor stays tightly closed and safe during operation.

How does the design pressure vary with different sealing methods?

The internal design pressure depends on the sealing method. With a packing seal, the vessel is rated for 0.2 MPa. With a mechanical seal, the design pressure can be 0.4 MPa or up to 1.0 MPa, depending on the configuration.

What special structural features are included in closed-type glass lined reactors to simplify operation and maintenance?

Some glass lined reactor models are equipped with quick-opening manhole covers and dual manholes, to enable easier access for inspection and maintenance. The lid is designed with butt-welded flanges to ensure stronger connections and simplify the installation of extra components, combining durability with practical convenience.

Which jacket design provides better heat transfer for liquid heating and cooling media: conventional or half-pipe coil?

When working with liquid heating or cooling media, the half-pipe coil jacket generally provides better heat transfer performance. Its effective area is smaller, about one-third less than that of a conventional jacket, but the flow rate is two to three times higher. In half-pipe coil jackets, the faster flow helps avoid many of the problems seen in conventional designs, like uneven heat transfer or buildup inside the jacket. This way, the heat spreads more evenly, making the process both more efficient and steadier during operation.

When the reactor operates with cooling water, which jacket design helps prevent corrosion problems?

The half-pipe coil jacket is recommended. Cooling water often contains ions such as H⁺ and Cl⁻ that can accelerate corrosion. In conventional jackets, deposits can accumulate and worsen this effect. The faster flow in half-pipe coil jackets minimizes deposits and reduces the risk of wall corrosion.

Do half-pipe coil glass lined reactors meet certification requirements for export to the European Union?

Yes. These glass lined reactors are CE-certified for the European Union, also comply with Japanese JIS standards, U.S. ASME codes, and Chinese JB standards. Backed by these certifications, they fully meet the compliance requirements for export to EU markets.

Jiangsu Gongtang Chemical Equipments Co., Ltd. Jiangsu Gongtang
Glass-Lined Equipment Manufacturer
Quick Links
  • About Us
  • Company Tour
  • Certificates
  • Exhibition
  • Service & Support
  • Project Cases
  • Videos
Products
  • Glass Lined Reactor
  • Glass Lined Storage Tank
  • Glass Lined Column
  • Glass Lined Heat Exchanger
  • Glass Lined Double Cone Dryer
  • Accessories
  • Integrated Process Systems
Contact Us
chrisz.jsjjgt@outlook.com
+86-523-89110022
+86-15861003636