Jiangsu Gongtang Chemical Equipments Co., Ltd. Jiangsu Gongtang
  • 
  • Home
  • About Us +
    • Company Profile
    • Company Tour
    • Certificates
    • Exhibition
  • Products +
  • Service & Support
  • Industries
  • Cases
  • Contact
  • Videos
  • Home
  • Products
  • Glass Lined Reactor
  • Glass Lined Reactors, Open Type
Glass Lined Reactors, Open Type
Glass lined reactor with balance tank and quick-release rod design

Glass Lined Reactors, Open Type

Corrosion-resistant reaction vessels with removable top cover

A glass lined reactor is manufactured by spraying a silica-rich glass powder onto the inner surface of a steel vessel. The vessel is then fired at high temperatures, causing the glass to bond firmly to the steel and form a durable composite.

  • Capacity range: 50 – 80,000 L
  • Maximum pressure: up to 16 bar (atmospheric to high pressure)
  • Operating temperature range: –19 °C to 200 °C
  • Standards: CE/JIS/ASME/GB
Request a Quote
Glass Lined Reactors, Open Type
6300L open type glass lined reactor with quick-opening manhole cover
Glass Lined Reactors, Open Type
Integrated frame glass lined reactor
Glass Lined Reactors, Open Type
Glass lined reactor with customized water connection system
Glass Lined Reactors, Open Type
Special structure glass-lined reactor with balance tank
Glass Lined Reactors, Open Type
Glass-lined reactor with fixed baffle
Glass Lined Reactors, Open Type
10000L open type glass lined reactor

In the open-type design, the lid and vessel body are separate parts. The connection between the lid and the vessel is sealed with a gasket and tightened with clamps, maintaining proper sealing throughout operation.

This type of reactor combines the stability and corrosion resistance of glass with the strength of steel. The interior surface is smooth, easy to clean, and resistant to impact, heat, abrasion, and chemical corrosion. Thanks to these properties, the open type glass lined reactor is suitable for operations such as hydrolysis, neutralization, crystallization, mixing, and emulsification.

Open-type glass lined reactors are widely used in industries including chemicals, petroleum, pharmaceuticals, pesticides, food, and dyes. They are available in a full range of specifications, and non-standard designs can also be produced according to customer requirements.

Technical Parameters
Design pressure Internal Packing seal 0.2MPa
Mechanical seal 0.4MPa/1.0MPa
Jacket 0.6MPa/0.8Mpa/1.0MPa
Design temperature Internal -19℃~+200℃
Jacket -19℃~+200℃
Agitator speed Anchor type, frame type 63r/min
Oar type 110r/min~130r/min
Impeller type 110r/min~130r/min
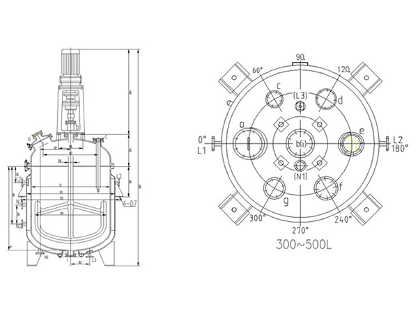
Dimensional Drawing
Dimensional Drawing
Dimensional Drawing
Dimensions of Open Type Glass Lined Reactors (mm)
Volume (L) 300 500 1000 1500 2000 3000 5000 6300 8000 10000
Item
D 800 900 1200 1300 1300 1600 1600 1750 1750 2000 2000
D1 900 1000 1300 1450 1450 1750 1750 1900 1900 2200 2200
D2 1032 1148 1488 1639 1675 2044 2044 2218 2218 2500 2533
D3 560 630 840 910 910 1120 1120 1225 1225 1400 1400
D4 720 810 1080 1180 1180 1440 1440 1580 1580 1800 1800
D5 350 350 400 400 400 450 450 450 450 510 510
D6 65 65 80 80 80 95 95 95 95 110 110
D7 23 23 30 30 30 30 30 30 30 36 36
H 800 1000 1200 1400 1745 1739 2700 2317 3025 3120 3460
H0 2530 2759 3222 3440 3785 4073 5115 4792 5850 5450 6270
H1 1050 1050 1240 1240 1240 1454 1535 1535 1535 1650 1700
H2 380 409 482 500 500 580 580 640 640 720 710
H3 260 270 300 330 330 330 330 330 330 420 355
H4 / / / 960 1335 1242 2000 1490 1700 2000 2650
H5 / / / / / / 700 420 700 900 880
H6 390 420 500 600 600 700 700 700 815 850 850
B1 / / / 507 507 614 614 550 550 550 540
B2 250 270 350 350 370 370 370 370 370 400 450
Power (kW) 1.5 3 4 4 4 5.5 7.5 7.5 11 11 11
Nozzle Specifications (mm)
Volume (L) 300 500 1000 1500 2000 3000 5000 6300 8000 10000
Item
a 125 150 300×400 300×400 300×400 300×400 300×400 300×400 300×400 300×400 300×400
b 100 100 125 125 125 150 150 150 150 200 200
c 65 65 100 100 100 100 100 125 125 200 200
d 80 80 100 100 100 100 100 125 125 150 150
e 65 100 100 125 125 125 125 125 125 125 125
f 65 125 125 125 125 125 125 150 150 125 125
g 65 100 100 100 100 100 100 125 125 150 150
h / / 100 200 125 125 125 150 150 125 125
K / / / / / / / / / 150 150
i 80 80 100 100 100 125 125 125 125 125 150
L1-L3 25 32 32 40 40 50 50 65 65 65 65
N1, N2 / / / 50 50 50 65 65 65 65 65
N3 / / / / / / 65 65 65 65 65

We also provide Accessories for Glass-Lined Equipment

Need Technical Support for Glass-Lined Equipment?

Our engineers provide expert guidance on corrosion-resistant glass-lined reactors, tanks, and customized process equipment for chemical, pharmaceutical, and industrial applications.

  • Related Products
  • Other Products
Glass Lined Reactors, Open Type
Glass Lined Reactors, Open Type
Glass Lined Reactors, Close Type
Glass Lined Reactors, Close Type
Glass Lined Reactor, Half Pipe Coil Jacketed
Glass Lined Reactor, Half Pipe Coil Jacketed
Glass Lined Storage Tank
Glass Lined Storage Tank
Glass Lined Column
Glass Lined Column
Glass Lined Heat Exchanger
Glass Lined Heat Exchanger
See More

What are the main components of open-type glass lined reactors, and what are their functions?

Open-type glass lined reactors consist of a few important parts: the vessel body, a removable cover, sealing gaskets, and clamps. Sealing gaskets are necessary to form a seal between the cover and the body, while the clamps hold them firmly together, so the reactor stays tightly closed and safe during operation.

How does the design pressure vary with different sealing methods?

The internal design pressure depends on the sealing method. With a packing seal, the vessel is rated for 0.2 MPa. With a mechanical seal, the design pressure can be 0.4 MPa or up to 1.0 MPa, depending on the configuration.

What special structural features are included in closed-type glass lined reactors to simplify operation and maintenance?

Some glass lined reactor models are equipped with quick-opening manhole covers and dual manholes, to enable easier access for inspection and maintenance. The lid is designed with butt-welded flanges to ensure stronger connections and simplify the installation of extra components, combining durability with practical convenience.

Which jacket design provides better heat transfer for liquid heating and cooling media: conventional or half-pipe coil?

When working with liquid heating or cooling media, the half-pipe coil jacket generally provides better heat transfer performance. Its effective area is smaller, about one-third less than that of a conventional jacket, but the flow rate is two to three times higher. In half-pipe coil jackets, the faster flow helps avoid many of the problems seen in conventional designs, like uneven heat transfer or buildup inside the jacket. This way, the heat spreads more evenly, making the process both more efficient and steadier during operation.

When the reactor operates with cooling water, which jacket design helps prevent corrosion problems?

The half-pipe coil jacket is recommended. Cooling water often contains ions such as H⁺ and Cl⁻ that can accelerate corrosion. In conventional jackets, deposits can accumulate and worsen this effect. The faster flow in half-pipe coil jackets minimizes deposits and reduces the risk of wall corrosion.

Do half-pipe coil glass lined reactors meet certification requirements for export to the European Union?

Yes. These glass lined reactors are CE-certified for the European Union, also comply with Japanese JIS standards, U.S. ASME codes, and Chinese JB standards. Backed by these certifications, they fully meet the compliance requirements for export to EU markets.

Jiangsu Gongtang Chemical Equipments Co., Ltd. Jiangsu Gongtang
Glass-Lined Equipment Manufacturer
Quick Links
  • About Us
  • Company Tour
  • Certificates
  • Exhibition
  • Service & Support
  • Project Cases
  • Videos
Products
  • Glass Lined Reactor
  • Glass Lined Storage Tank
  • Glass Lined Column
  • Glass Lined Heat Exchanger
  • Glass Lined Double Cone Dryer
  • Accessories
  • Integrated Process Systems
Contact Us
chrisz.jsjjgt@outlook.com
+86-523-89110022
+86-15861003636